Breites Sortiment an Artikeln
Großer Bestand an Schmiertechnik
Vor 15:30 Uhr bestellt, am selben Tag versandt
Seit 1996
SKF
Lincoln
Pressol
Informationszentrum
Menu
Sortiment
Sortiment
Handgeräte
Handgeräte
Gehe zu handgeräte
Akku-Fettpresse
Manuelle Fettpresse
Pneumatische Fettpresse
Handbediente Fettpumpe
Handpumpen Öl und Flüssigkeiten
Fettpressenzubehör
Fettpistole
Werkstattzubehör
Schmierstoffe
Schlauchaufroller
Pneumatik
Pumpen
Pumpen
Gehe zu pumpen
Fettpumpe Pneumatisch
Fettpumpe Pneumatisch
Gehe zu fettpumpe pneumatisch
Pneumatische Fettpumpe
Fettpumpe-set
Fettschmiersystem
Füllgeräte für Zentralschmieranlagen
Mobile Fettpumpe
Wagen
Luftservice
Öl- & Flüssigkeitspumpen
Öl- & Flüssigkeitspumpen
Gehe zu Öl- & flüssigkeitspumpen
Pneumatische Ölpumpen
Ölpumpen-Sets
Mobile Ölpumpe
Istallationset Ölpumpe
Ölschlauch
Drehgelenk
Ölpistole
Luftservice
Wagen
Pumpenrohr
Fasspumpen Flüssigkeit
Membranpumpen
Lincoln Pumpen
PowerMaster Pumpen
PileDriver-Pumpen
Gebrauchte Pumpe
Pneumatische Pumpenteile
Schmiertechnik
Schmiertechnik
Gehe zu schmiertechnik
Armaturen
Armaturen
Gehe zu armaturen
Rohrstutzen und Schraubhülsen
Push-in kupplungen
Schneidringverschraubungen
Anschluss Verlängerungen und Adapter
Schnellkupplungen
Schmiernippel
HD-Schläuche, Rohre und Halterungen
Nippelblöcke
Einpunkt-schmiereinheit
manometer
Kugelhänhe
Andere US-komponenten
Zentralschmierung
Zentralschmierung
Gehe zu zentralschmierung
Automatischen Fettpumpe
Ölpumpen für automatische Schmmiersysteme
Verteiler für progressive Schmierungssysteme
Pumpenkomponenten Zentralschmierung
Zweileitungsgeräte
Einleitungsinjektoren
Überdruckventile
Magnetventile
Umschaltventile
Öl-Pinsel
Andere Teile
SKF
Lincoln
Pressol
Informationszentrum
Sortiment
Handgeräte
Akku-Fettpresse
Manuelle Fettpresse
Pneumatische Fettpresse
Handbediente Fettpumpe
Handpumpen Öl und Flüssigkeiten
Fettpressenzubehör
Fettpistole
Werkstattzubehör
Schmierstoffe
Schlauchaufroller
Pneumatik
Pumpen
Fettpumpe Pneumatisch
Pneumatische Fettpumpe
Fettpumpe-set
Fettschmiersystem
Füllgeräte für Zentralschmieranlagen
Mobile Fettpumpe
Wagen
Luftservice
Öl- & Flüssigkeitspumpen
Pneumatische Ölpumpen
Ölpumpen-Sets
Mobile Ölpumpe
Istallationset Ölpumpe
Ölschlauch
Drehgelenk
Ölpistole
Luftservice
Wagen
Pumpenrohr
Fasspumpen Flüssigkeit
Membranpumpen
Lincoln Pumpen
PowerMaster Pumpen
PileDriver-Pumpen
Gebrauchte Pumpe
Pneumatische Pumpenteile
Schmiertechnik
Armaturen
Rohrstutzen und Schraubhülsen
Push-in kupplungen
Schneidringverschraubungen
Anschluss Verlängerungen und Adapter
Schnellkupplungen
Schmiernippel
HD-Schläuche, Rohre und Halterungen
Nippelblöcke
Einpunkt-schmiereinheit
manometer
Kugelhänhe
Andere US-komponenten
Zentralschmierung
Automatischen Fettpumpe
Ölpumpen für automatische Schmmiersysteme
Verteiler für progressive Schmierungssysteme
Pumpenkomponenten Zentralschmierung
Zweileitungsgeräte
Einleitungsinjektoren
Überdruckventile
Magnetventile
Umschaltventile
Öl-Pinsel
Andere Teile
Suchen
Suchen
({{ hit._source.products_count }})
{{ customerPrice || suggestion.source.price | price }}
{{ suggestion.source.price | price }}
Es tut uns leid, keine Ergebnisse gefunden für "{{ value }}"
Alle Ergebnisse anzeigen
Home
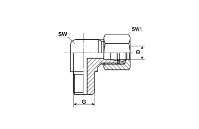
ECKVERBINDUNG WE6LL 1/8 NPT
Sie müssen sich anmelden, um ein Produkt zu Ihrer Bestellliste hinzuzufügen.
Anmelden
{{ wishlist.title }}
Ansehen
Neue Bestellliste
{{ active + 1 }} / {{ images.length }}
ECKVERBINDUNG WE6LL 1/8 NPT
Nachbestellt
119 Auf Lager
5,15 €
Ohne MwSt.
In den Warenkorb
Haakse Einschraubverbindung WE6LL 1/8 NPT
Spezifikationen
SKU
1141455
Lincoln-Referenz
223-13620-4
DIN
2353
Kupplungsmaterial
Verzinkter Stahl
Beschläge Gewinde G
1/8 NPT
Rohrdurchmesser D
6
HEX-Größe SW
11 mm
Sechskantgröße SW1
12 mm
HS-Code
73079910
Ursprungsland
DE
{{ message }}
Schließen
favorite--filled
favorite
menu
shopping--cart
rotate
arrow--up-right